Med en erfaren kloakmester i Hedensted sikrer du dig professionel hjælp til alt fra rensning til reparation af kloaksystemer. Du slipper for besværet og kan trygt stole på, at arbejdet udføres hurtigt og effektivt.
Opgavebeskrivelse: Etablering af ny kloakering ifm. kommende fælleskloakering
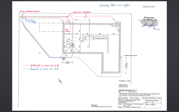
Jeg øns...
Opgavebeskrivelse: Etablering af ny kloakering ifm. kommende fælleskloakering
Jeg ønsker at få etableret en ny kloakledning, som fremtidssikres til fælleskloakering. På vedhæftede tegning er det ønskede kloakarbejde markeret med orange linjer.
Arbejdet omfatter: Etablering af ny kloakledning som forberedelse til fælleskloakering.
Trækning af spildevandsledning hele vejen rundt om stuen (som vist på tegningen) til den modsatte side, hvor tilslutning forventes ved kommende fælles afløbspunkt.
Tilpasning og sammenkobling af eksisterende kloak, hvor det er nødvendigt.
Nedgravning og tilslutning af kloakrør iht. gældende normer og regler.
Kloakarbejdet ønskes udført i henhold til tegningen og på en måde, så installationen er klar, når fælleskloakeringen gennemføres.
Der må meget gerne indgås i dialog om placering af brønde og eventuelle nødvendige inspektionspunkter.
Billedet er vedhæftet for at illustrere det ønskede tracé.
Bygherre er ejer af bolig
Tilbud inkl. alt
Cirka 35 meter.
Se opgave +
Udskiftning af stenblokke m.m.
Søger kloakmester til at skifte to gamle stenblokker med bioblokker samt sætte en reg...
Søger kloakmester til at skifte to gamle stenblokker med bioblokker samt sætte en regnvandstønde til et afløbsrør.
Den ene stenblok kan man komme til fra kloakken og den anden er gravet ned i haven.
Bygherre er ejer af bolig
Tilbud inkl. alt
Se opgave +
Etablering af septitank/nedsivningsanlæg
Etablering af septitank/nedsivningsanlæg i forbindelse med nybyggeri af stuehus til l...
Etablering af septitank/nedsivningsanlæg i forbindelse med nybyggeri af stuehus til landejendom.
Skal bygge nyt stuehus på grund på ca 197 m2
Ønsker tilbud på septitank eller nedsivningsanlæg
Uanset løsning skal alt indgå
Bygherre ejer grunden
Se opgave +
Etablering af omfangsdræn
Der skal etableres omfangsdræn omkring sokkel på nybygget hus, da det ikke blev etabl...
Der skal etableres omfangsdræn omkring sokkel på nybygget hus, da det ikke blev etableret ved støbearbejdet. Huset er i gang med at blive opført og derfor fra 2021. Huset er ca. 140 m2 og uden kælder.
Omfangsdrænet skal etableres efter mure er rejst og der er lavet tag. Hvis det er muligt vil jeg gerne selv stå for gravearbejdet, levering af materiale.
Der er sat sandfangsbrønd på grunden, som dræn kan kobles på.
Der skal ikke isoleres i soklen/kældervæggene da dette bliver gjort forinden.
Vedhæftet er således udført af kloak samt plantegning af hus med mål.
Tilbud uden materialer.
Se opgave +
Erhverv - Nedgravning af samletank
Nedgravning af spildetank.
Opgaven skal udføres for PP busselskab A/S (CVR: 8297161...
Nedgravning af spildetank.
Opgaven skal udføres for PP busselskab A/S (CVR: 82971610), og bygherre er ansat i det.
Tilbud alt inkl.
Se opgave +
Etablering af brønd til nedløb
Tilbud på nyt tag, blandt andet nye tagrender og nedløb bestilt hos tømrermester. Beb...
Tilbud på nyt tag, blandt andet nye tagrender og nedløb bestilt hos tømrermester. Bebyggetareal ca. 200 m2 Har siden opførelse i 1986 kun haft 3 nedløb, hvilket er i underkanten. Derfor ønske om yderligere et nedløb, hvor vi ønsker tilbud på etablering af tagnedløbsbrønd eller sandfangsbrønd, samt rørføring langs husets gavl, til eksisterende rør der forbinder til faskine. Husets gavl opmålt til 8,3 meter, derfor anslået cirka 10 meter mellem ønsket ny brønd til eksisterende brønd. Der er 70 cm "fri jord" fra husets fundament til flisegang. Om muligt ønskes flisegangen bevaret under processen. Kan eventuelt selv udføre gravearbejdet, afhængigt at hvor dybt I oplyser der skal graves. Eksisterende stauder i "fri jord" sørger vi for er fjernet inden arbejdet startes.
Etablering af brønd til nedløb.
Tilbud delt op i med og uden gravearbejde.
OBS: Opgaven skal udføres i samarbejde med tømrerarbejdet der også skal udføres, da det ikke må kollidere.
Se opgave +
Udskiftning af nedsivningsanlæg
I haven har vi en brønd til opsamling af vand fra tagrenderne. Herfra ledes vandet vi...
I haven har vi en brønd til opsamling af vand fra tagrenderne. Herfra ledes vandet videre til et nedsivningsanlæg (sten og grus) under græsplænen. Nedsivningsanlægget under græsplænen og der skulle være adgang til en rendegraver.
Ved store regnmængder løfter dækslet i brønden sig og vandes strømmer ud foroven i stedet. Det hele blev etableret ifm. byggeriet af huset i 1997.
Vi vil gerne have et tilbud på en vurdering og en udbedring af problemet (tilstopning, rørskade eller om nedsivningsanlægget skal skiftes ud med f.eks. faskiner).
Tilbud alt inkl.
Se opgave +
Kloakseparering
Hedensted spildevand skal sanere kloak i vores område. Vi er ansvarlig på vores ejend...
Hedensted spildevand skal sanere kloak i vores område. Vi er ansvarlig på vores ejendomme område. Derfor vi har bruge for hjælp kloak master.
Vi har to mulighed. Vi kan separatkloakeret kloak rør for regn vand og spildevand.
Vi kan også separat kloak rør for regn vand og spidevand og laver faskine.
Jeg vil gerne spørger om pris for denne to mulighed. Hvordan prisen vil ændre sig, hvis vi selv graver et sted for rør og en kloak mester kun forbinder dem?
Tilbud er alt inkl
Tidshorisont: udføres til sommer
Træffes bedst: ring ellers læg besked
Se opgave +
Så enkelt er det at indhente byggetilbud
Indsend din opgave
Beskriv kort den opgave, du ønsker at få udført
Opgaven behandles
Vores serviceafdeling kontakter dig telefonisk
Du modtager tilbud
Tre udvalgte håndværkere giver dig et tilbud
Du vælger håndværker
Vælg frit mellem de tre tilbud, og opgaven udføres
Måske kæmper din bolig med oversvømmelse efter kraftig regn, eller måske overvejer du at optimere afløbssystemet, inden huset skal sælges. I Hedensted kan autoriserede kloakmestre give dig den nødvendige ro i maven – både når det gælder akutte problemer og planlagte forbedringer. Hent tre konkurrencedygtige tilbud fra lokale kloakfirmaer direkte gennem 3byggetilbud.dk og få et solidt sammenligningsgrundlag, uden at binde dig til noget.
Få styr på kloakarbejdet – fra dræn til højvandslukker
I Hedensted-området opleves unikke udfordringer, blandt andet pga. varierende jordbund og periodiske regnskyl, der stiller særlige krav til afvanding. Uanset om du skal have lagt nye rør, etableret omfangsdræn eller sikret huset mod opstigende grundvand, kan et autoriseret kloakfirma løfte opgaven. Typiske opgaver spænder bredt, eksempelvis:
Gravearbejde og udskiftning af ødelagte kloakledninger inde og ude
Drænsystemer omkring kældre og sokkel, så du undgår vand i kælderrummet
Installation af sandfang, faskiner og fedtudskillere – især relevant ved køkkenrenovering
Separering af regn- og spildevand – ofte et krav ved renoveringsprojekter
Reparation af ældre anlæg eller modernisering med højvandslukke og autopumper
Løbende vedligeholdelse og fejlfinding, hvis du oplever lugtgener eller tilbageløb
Om det drejer sig om nyetablering, renovering eller akut afhjælpning, leverer en professionel kloakmester overskuelige løsninger, der matcher både behov og gældende regler.
Hvorfor vælge en autoriseret kloakmester i Hedensted?
Selv små fejl på kloaksystemet kan have store konsekvenser – både for husets værdi og for daglig komfort. Når en autoriseret fagperson fra Hedensted står for arbejdet, sikres du, at installationer lever op til alle myndighedskrav og tekniske standarder. For eksempel minimeres risikoen for fugtskader, og installationen bliver langtidsholdbar. Samtidig er det et lovkrav, at større ændringer på kloaknettet udføres af autoriserede kloakfirmaer.
Sådan får du skræddersyede tilbud – uden ekstra omkostninger
Det er let at komme i gang: Beskriv kort din kloakopgave, og modtag op til tre tilbud fra kvalificerede kloakfirmaer i Hedensted – alt sammen via 3byggetilbud.dk. Servicen er helt omkostningsfri for dig, og du bestemmer selv, om du ønsker at gå videre med ét af tilbuddene. Det giver dig overblik over både pris og løsninger, før du vælger det rette firma.
Hvad skal du overveje, før du går i gang?
Vurdér hvilke dele af kloaksystemet der skal ændres eller serviceres, både nu og på sigt.
Tag højde for materialevalg, da både PVC og beton har hver sine fordele i forhold til drift og vedligeholdelse.
Lav en realistisk plan for tid og økonomi – forsinkede projekter kan hurtigt give bøvl.
Sammenhold flere tilbud. Priser og ydelser kan variere meget, så det betaler sig at sammenligne.
Giv dit næste kloakarbejde i Hedensted et trygt udgangspunkt – og spar timer på research.
Spar tid og undgå bekymringer – prøv 3byggetilbud.dk
Kloakarbejde bør ikke overlades til tilfældigheder. Indhent flere tilbud fra godkendte kloakmestre i Hedensted, og find det rette match til din opgave. Klik ind på 3byggetilbud.dk og oplev fordelene ved at lade lokale specialister konkurrere om dit projekt.
Kloakarbejde udført via 3byggetilbud.dk
Kloakmestre, Aut.5
1 måned siden
Nedgravning af rørledning til regnvand
Flinke folk og hurtig til at udføre opgaven.
Fuldt ud tilfreds👍
Skal jeg have lavet noget på andet tidspunkt, så klart jeg ringer efter Ragnar igen.
Anja Andersen
A
Anja A.
Vamdrup
Kloakmestre, Aut.5
1 år siden
Flytning af kloak og vand i køkkenet
Enkelt og tydelig. Effektiv.
K
Kasper B.
Juelsminde
Kloakmestre, Aut.5
1 år siden
Tilslutte spildevandsseparering
Meget fin, venlig og ærlig service. Dette marked er meget ugennemskueligt prismæssigt, men med Nørskov Kloak fik vi en pris, der var meget fair og konkurrencedygtig.
B
Brian B.
Give
Kloakmestre, Aut.5
1 år siden
Etablering af afvandingsdræn m.m.
Super god service
F
Finn L.
Grindsted
Kloakmestre, Aut.5
1 år siden
Føring af spildevandsbrønd til terrænniveau
Var hurtig med tilbud! Prisen blev overholdt og der blev leveret et godt og hurtigt udført resultat! Kun gode anbefalinger herfra!
J
Jesper G.
Grindsted
Kloakmestre, Aut.5
1 år siden
Dokumentation af tilslutning til offentlig kloak
Hurtig, fair, overholder det aftalte.
Kan varmt anbefales.
R
Rene J.
Grindsted
Kloakmestre, Aut.5
1 år siden
Etablering af dræn
Fantastisk service, kommunikation og håndtering af vores opgave, samt de små og store udfordringer der altid kommer, når man åbner op for et gammelt hus. Vi er...
Tom fra Jysk anlæg er yderst kompetent til sit job, han har overholdt alle sine aftaler samt sin pris, vi fik lavet lidt ekstra hvilket han lavede til en fornuftig...
God service.
Skarp pris.
God dialog.
Godt arbejde.
M
Martin M.
Grindsted
Kloakmestre, Aut.5
2 år siden
Boligforening - Udbedring af sunken kloak
Hurtigt og komparent arbejde.
H
Hans V.
Christiansfeld
Kloakmestre, Aut.5
2 år siden
Frilægning af rørlagt vandløb
Fint samarbejde og åbenhed over for kundens ønsker. Arbejde påbegyndt til aftalt tid. Tilfredsstillende teknisk løsning. Pris rimelig og i henhold til overslag. I...
Virkelig god oplevelse. Henvendte mig lidt før jul og fik overslagspris. Accepterede overslagsprisen og 1 2 3 mødte der 2 mand op 4 januar. De gik i "krig"...
Hvilke opgaver kan en autoriseret kloakmester i Hedensted hjælpe med?
En autoriseret kloakmester i Hedensted kan hjælpe med blandt andet udskiftning af ødelagte kloakledninger, etablering af drænsystemer, installation af sandfang, faskiner og fedtudskillere, separering af regn- og spildevand, reparation og modernisering af ældre anlæg samt løbende vedligeholdelse og fejlfinding.
Hvorfor skal man vælge en autoriseret kloakmester til kloakarbejde?
Det er vigtigt at vælge en autoriseret kloakmester, fordi større ændringer på kloaknettet kræver autorisation ifølge loven. En autoriseret fagperson sikrer også, at arbejdet udføres korrekt og lever op til alle myndighedskrav og tekniske standarder, hvilket minimerer risikoen for skader og sikrer langtidsholdbare løsninger.
Hvordan kan jeg indhente tilbud på kloakarbejde i Hedensted?
Du kan nemt indhente op til tre tilbud fra lokale kloakfirmaer i Hedensted via 3byggetilbud.dk. Beskriv din opgave kort, og servicen er gratis og uforpligtende, så du kan sammenligne pris og løsninger, før du vælger.
Hvilke fordele er der ved at indhente flere tilbud fra kloakfirmaer?
Ved at indhente flere tilbud får du et godt sammenligningsgrundlag, så du kan vælge den bedste pris og den løsning, der passer bedst til dine behov. Samtidig sparer du tid og undgår unødige bekymringer.
Hvad skal man overveje, inden man går i gang med kloakarbejde?
Inden du går i gang, bør du vurdere hvilke dele af kloaksystemet, der skal serviceres eller ændres, tage højde for materialevalg, lægge en realistisk plan for tid og økonomi samt sammenligne flere tilbud, da priser og ydelser kan variere.
Danmarks største formidler af byggeopgaver
765.000+
Opgaver siden år 2000
2.100
Aktive håndværkere Danmark rundt
80.000+
Henvendelser årligt i hele landet
4,7 ud af 5
Stjerner på afsluttede opgaver
Sådan vurderer kunderne 3byggetilbud.dk
Gennem vores online formular bliver du matchet med tre lokale, kvalitetssikrede kloakfirmaer i Hedensted. Vores netværk af håndværkere står klar til at assistere med din kloakopgave, uanset omfang. Vi har formidlet byggeopgaver siden 2000 og gør det let at indhente og sammenligne tilbud.
Indsend din opgave i dag og modtag gratis, uforpligtende tilbud fra erfarne kloakmestre i Hedensted.